深層地下水回補建設運用物聯網、大數據等技術,遵循“統籌規劃、統一標準、經濟適用、安全穩定”原則,構建“標準化、流程化、信息化、智慧化”的運行管理平臺,旨在保障回補安全、提升效率、優化公眾服務。
瀏覽量
一、項目建設目標:
某市深層地下水回補建設依托華北地區治理方案,運用物聯網、大數據等技術,遵循“統籌規劃、統一標準、經濟適用、安全穩定”原則,構建“標準化、流程化、信息化、智慧化”的運行管理平臺,旨在保障回補安全、提升效率、優化公眾服務。
二、解決方案:

深層地下水回補軟件平臺項目整體架構分為基礎支撐層、業務應用層和用戶層。
基礎支撐層:包含IOT平臺、數據底板、模型庫、知識庫、大語言模型。
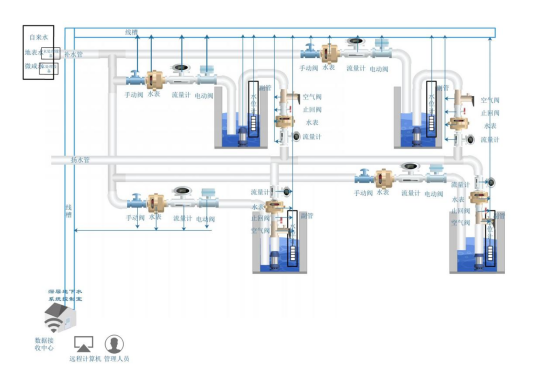
IOT平臺:通過物聯網設備實時采集地下水位、排水及回灌監測數據,并輔以視頻監控實現現狀圖像實時監控。
數據底板:整合地理空間數據、數據存儲與管理,以GIS地圖數據及監測數據為基礎進行支撐。
知識庫:包含預案庫、業務規則庫、歷史場景庫,為管理人員提供決策支持。
大語言模型:采用自然語言處理技術,具備問題識別解析、數據查詢回答及語句生成理解等功能。
業務應用層:
采用云原生架構,基于容器技術構建,支持資源彈性伸縮及多云部署。
融合云原生、人工智能、大數據、物聯網等前沿技術,遵循開放創新原則。
提供綜合態勢、GIS輿圖、數據分析、回補站監測、運行管護、視頻監控、后臺管理及移動應用等功能。
平臺特色包括全新一代計算架構、零代碼/低代碼開發、數智驅動及開放集成能力,致力于實現深層地下水回補的數字化管理。
三、應用場景:
水源工程

地表水系統

淺層井系統圖

海洋局改造水系統

四、項目案例:


